三葉羅茨風機
	三葉羅茨鼓風機
產品特點
1、強制送風即升壓變化時,流量變化較小,用戶可根據需要,在額定升壓范圍內調節出氣壓力。
2、氣缸內不需潤滑,故輸送介質不含油。
3、三葉風機氣流脈沖小,密封好,所以噪聲低,泄露少,效率高,運轉平穩。
主要用途
應用于污水處理、海水養殖、電力、石油、化工、冶金、水泥、紡織、食品等氣力輸送行業。
使用要求
1、輸送介質的進氣溫度不得超過40℃。
2、介質中微粒含量不得超過100mg/m3,雜質大尺寸不得超過葉輪小間隙的一半。
3、使用升壓不得超過鼓風機銘牌所標定升壓值。
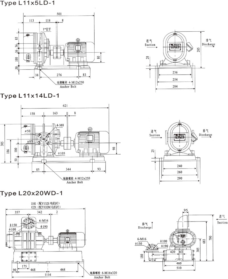
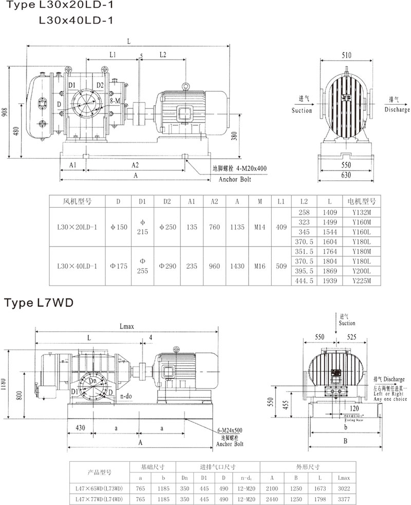
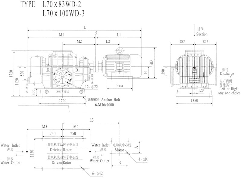
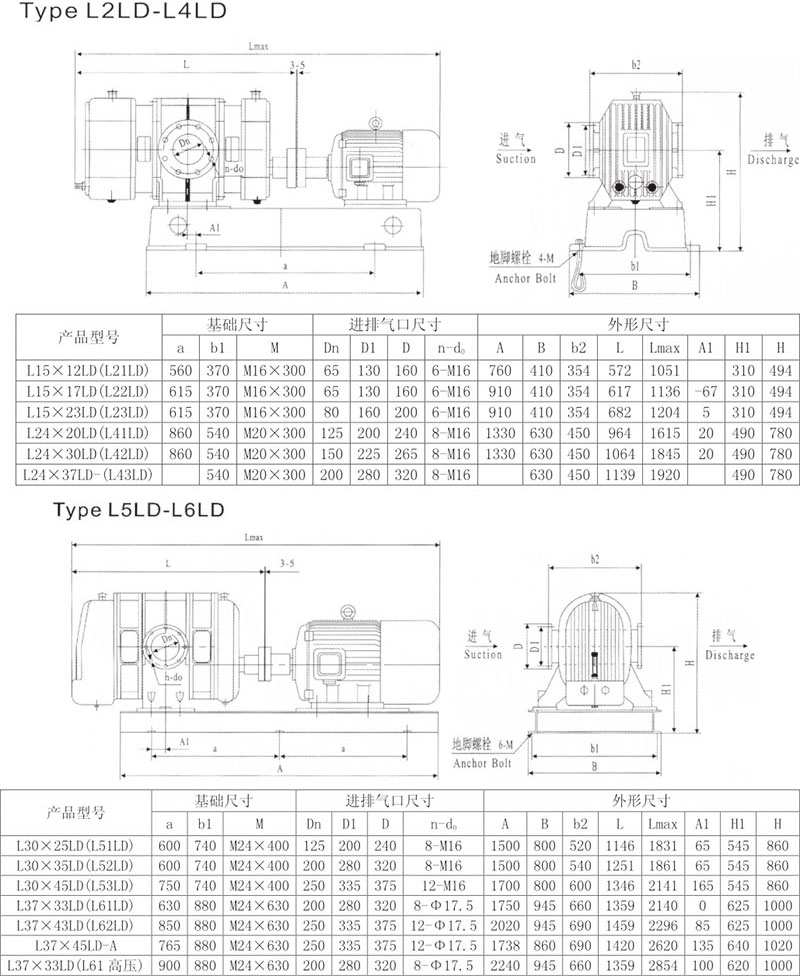
型號說明及規格性能
1、產品型號說明
產品特點
1、強制送風即升壓變化時,流量變化較小,用戶可根據需要,在額定升壓范圍內調節出氣壓力。
2、氣缸內不需潤滑,故輸送介質不含油。
3、三葉風機氣流脈沖小,密封好,所以噪聲低,泄露少,效率高,運轉平穩。
主要用途
應用于污水處理、海水養殖、電力、石油、化工、冶金、水泥、紡織、食品等氣力輸送行業。
使用要求
1、輸送介質的進氣溫度不得超過40℃。
2、介質中微粒含量不得超過100mg/m3,雜質大尺寸不得超過葉輪小間隙的一半。
3、使用升壓不得超過鼓風機銘牌所標定升壓值。
型號說明及規格性能
1、產品型號說明

輸送介質:空氣及其它中性氣體
進氣溫度:20℃
進氣流量:1 .6-66.8m3/min
進氣壓力:101 .3kPa
相對濕度:50%
風機升壓:9.8-98kPa
當輸送介質或使用條件與上述標準狀態有變化時,請訂貨時說明。



















		                        
		                        
		                        
		                        
		                        
		                        
		                        
		                        
		                        